SEM cluster: Applications & Instruments
FACTS operates three thermionic SEMs, four field-emission SEMs, an EPMA and an environmental SEM for teaching and research.
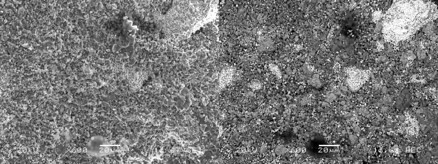
A fine-focused beam is used to raster a sample surface. As a result of electron beam and material interaction, a rastered image of secondary electrons, backscattered electrons and x-rays can be formed.
SE images are often compared with BSE images and X-ray maps, to identify different regions of surface topography, atomic mass contrast.
Using electrons backscattered from a sample to form diffraction patterns on the screen of an EBSD camera, the resultant kikuchi pattern gives information on the crystallographic phases and their orientation in a sample. Crystallographical information such as orientation maps, grain size, misorientation at grain boundaries, pole figures and inverse pole figures can be generated from the field of view. This is helpful in areas of metallurgy, geology and materials science.

X-rays generated as a result of electron beam interaction with the material can be identified either via energy dispersive (EDS) or wavelength dispersive spectroscopy (WDS).
These allow elemental qualification of the sample of interest, and when coupled with standards, a semi-quantitative analysis of the elements within the sample can be derived. Since the electron beam is location specific, this can be used to generate X-ray maps that show the localisation of elements within a sample.


The Raith ELPHY Plus EBL system has an external pattern generator that can work at the frequency of 12 MHz with minimum dwell time increment of 1 nsec, and 0.1 nm addressing increment for expsosures. The writhing field is 100 mm - 1mm and has a resolution of < 50 nm.
FESEM JEOL JSM-7600F
FESEM for high-resolution imaging with attachments for additional capabilities
The scanning electron microscopes in FACTS come in two forms, Thermionic SEMs and Field Emission SEMS, running at high vacuum.
There are specialty SEMs, such as the EPMA and environmental SEM, used for WDS and low vacuum conditions respectively.
Most of our SEMs are equipped with an EDS spectrometer and the FESEM 7800F is equipped with an EBSD detector to allow for sample microanalysis.